Wählen Sie Ihre Region und Ihre Sprache

Los

Menü

Kristiansand

Customer Story | 2 min read

SVC for dynamic voltage control and optimization of system performance in power grid interconnected by HVDC

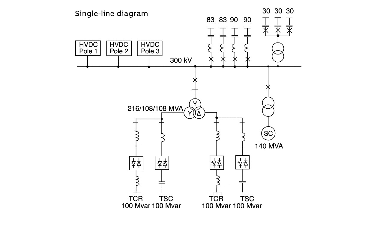
In 1995, an SVC rated at 200 Mvar inductive to 200 Mvar capacitive at 300 kV supplied by Hitachi Energy was commissioned in the Statnett grid at Kristiansand in Norway.

The SVC is located within the Kristiansand HVDC converter station, likewise supplied by Hitachi Energy. The converter station is part of the 1000 MW Skagerrak HVDC link connecting the Norwegian power grid to Jutland in Denmark via three submarine cables.

Before the advent of the SVC, the amount of active power transfer on the HVDC was constrained due to voltage sags at high power transfer as well as to excessive temporary overvoltage at load rejection in conjunction with a low short circuit power level in Kristiansand.

An old synchronous condenser in use in the substation was causing concern for the HVDC operation due to low service availability of the synchronous condenser

Main data
System SVC
Commissioning year 2011
Controlled voltage 300 kV
 SVC rating 200 Mvar inductive to 200 Mvar capacitive
 Control system Three-phase voltage control by means of a voltage regulator. Regulator functions include under- and overvoltage strategy selection as well as gain supervision and load sharing with a synchronous condenser
 Thyristor valves Water-cooled three-phase valves with magnetic firing.
Kristiansand: SVC for dynamic voltage control
Plant layout, Kristiansand
STATCOM offering